Description
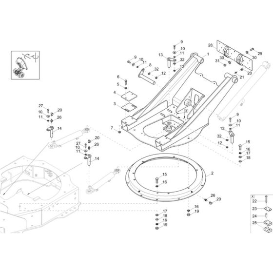
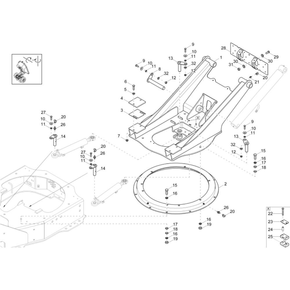
The Swing Bracket Assembly for the Wacker DW20 Dumper is crucial for maintaining the machine's stability and manoeuvrability. This assembly includes components such as brackets, pins, and bushings, ensuring smooth operation and durability. Designed for the Wacker Neuson Dumper, it supports the machine's load-bearing capabilities and enhances performance during heavy-duty tasks.
Reviews
Add a review
Write Your Own Review
Ask a Question
Customer Questions

