Description
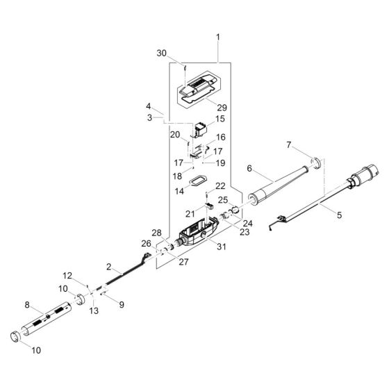
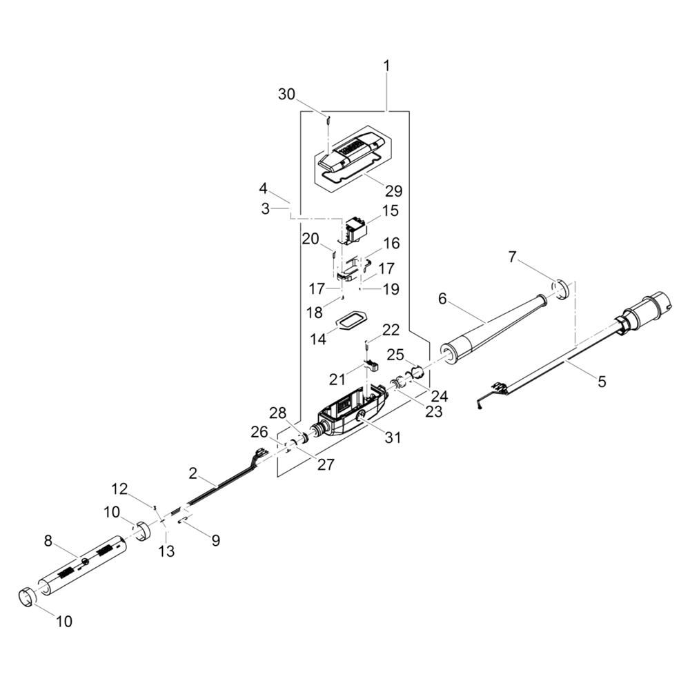
The Switch Box Assembly for the Wacker IREN 57k/250 Vibrator is designed to ensure efficient operation and control. This assembly includes components such as switches, connectors, and wiring, which are crucial for maintaining the vibrator's functionality. Genuine Wacker Neuson parts provide reliability and durability, ensuring optimal performance in demanding construction environments.
Reviews
Add a review
Write Your Own Review
Ask a Question
Customer Questions

