Description
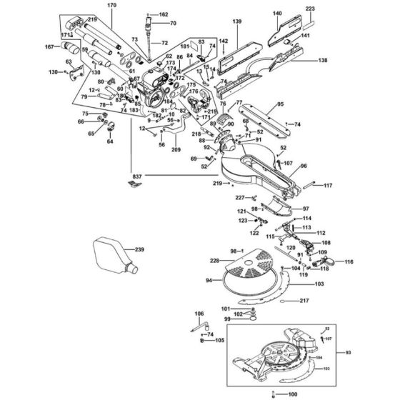
The Table Assembly for the DeWalt DW718 Type 4 Mitre Saw is designed to support precise cutting operations. This genuine DeWalt part ensures stability and accuracy, essential for professional and DIY woodworking tasks. The assembly includes components such as the table base, support brackets, and fastening hardware, facilitating smooth and efficient saw operation.
Reviews
Add a review
Write Your Own Review
Ask a Question
Customer Questions

