Description
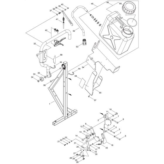
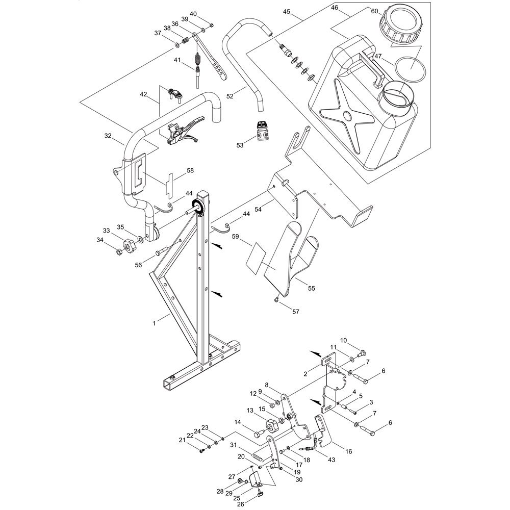
The tank and frame for the ECHO CWT-7410 Disc Cutter Trolley are essential for maintaining the stability and functionality of the trolley. These components ensure the disc cutter operates smoothly and efficiently. Available options include genuine and non-genuine parts, providing flexibility for repairs and replacements.
Reviews
Add a review
Write Your Own Review
Ask a Question
Customer Questions

