Description
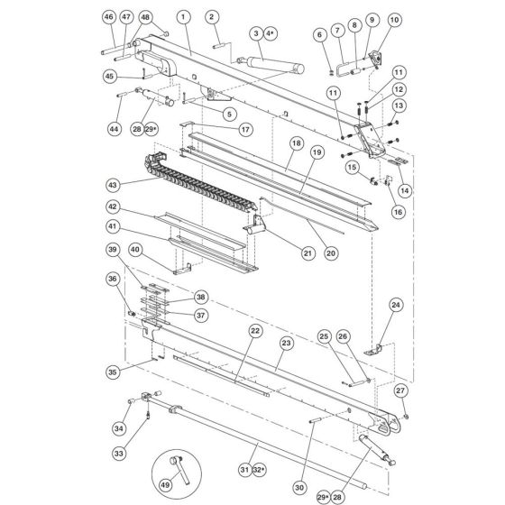
The Telescope Assembly for Niftylift HR15N, 17N, SP45N, and 50N Access Platforms is a genuine part designed to ensure optimal performance and safety. This assembly includes key components such as extension tubes, hydraulic cylinders, and mounting brackets, essential for smooth operation and precise control. Suitable for routine maintenance and repairs, it helps maintain the platform's reach and stability.
Reviews
Add a review
Write Your Own Review
Ask a Question
Customer Questions

