Description
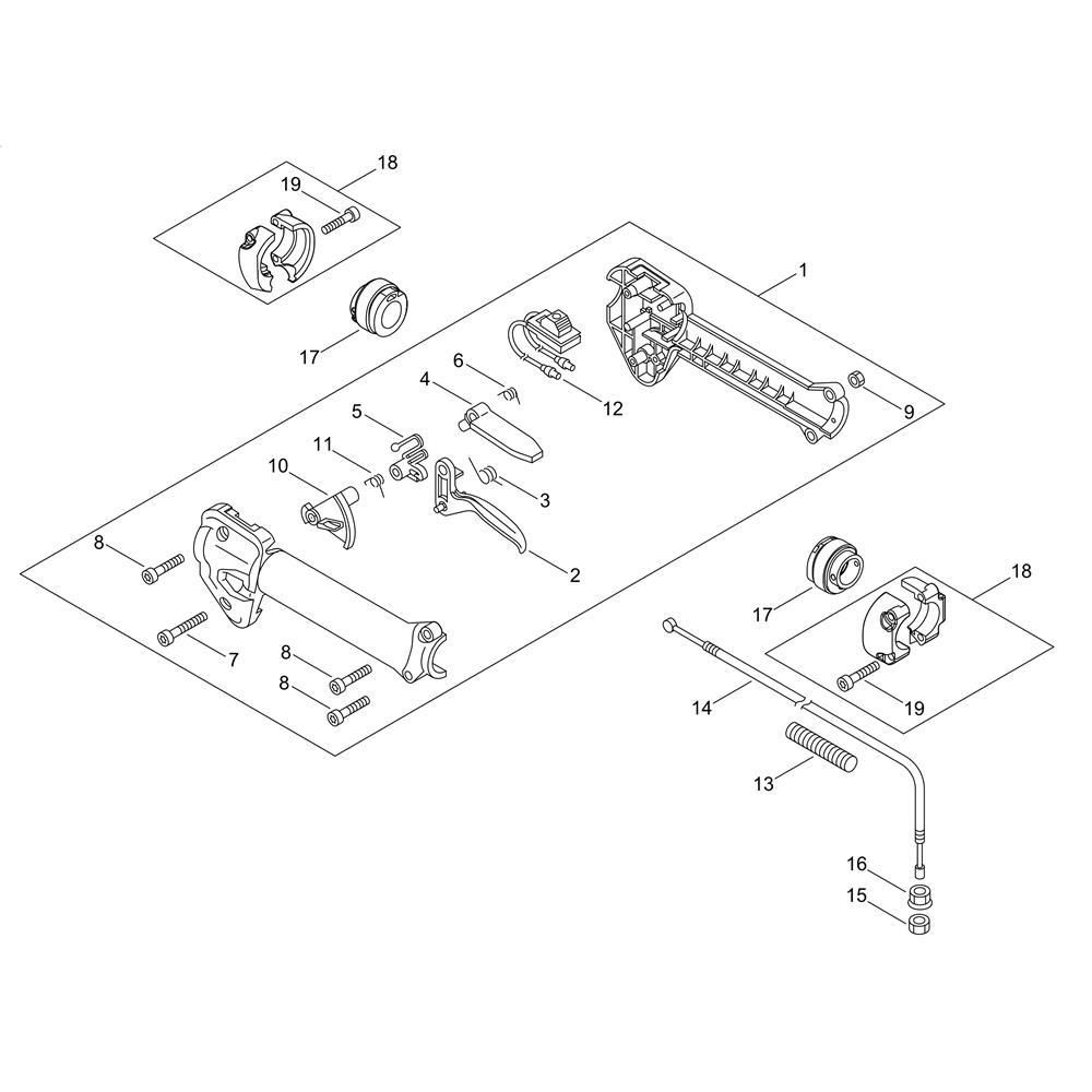
The throttle for the Shindaiwa M262S Multi-Tool is a crucial component for controlling engine speed and ensuring efficient operation. Designed specifically for the Shindaiwa M262S, this genuine part ensures compatibility and reliability. Essential for maintaining optimal performance, it is available for various repair and maintenance needs.
Reviews
Add a review
Write Your Own Review
Ask a Question
Customer Questions

