Description
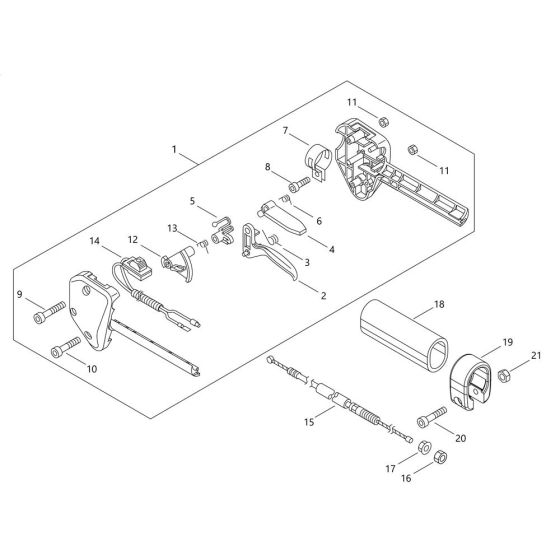
The throttle for the Shindaiwa T251 Brushcutter is a crucial component for controlling engine speed and ensuring efficient operation. Designed specifically for the T251 model, it provides precise control over the brushcutter's performance. Genuine Shindaiwa parts ensure compatibility and reliability, maintaining the machine's optimal functionality.
Reviews
Add a review
Write Your Own Review
Ask a Question
Customer Questions

