Description
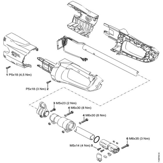
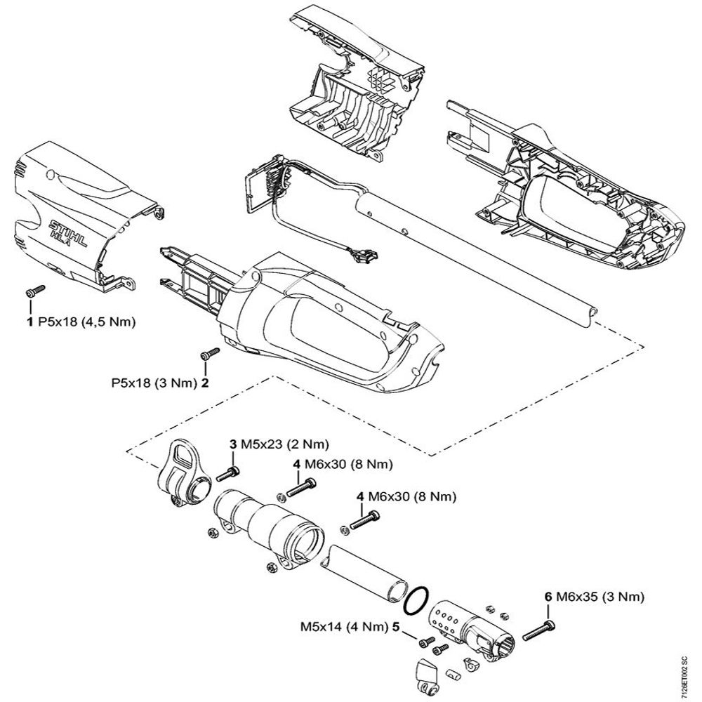
Tightening Torques 1 for the Stihl HLA 85 Hedge Trimmer ensures optimal performance and safety. These genuine Stihl parts are designed to maintain the integrity of your hedge trimmer, providing reliable operation during trimming tasks. Essential for routine maintenance, they help secure components effectively, reducing the risk of mechanical failure.
Reviews
Add a review
Write Your Own Review
Ask a Question
Customer Questions

