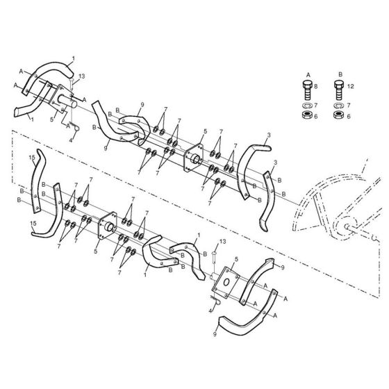
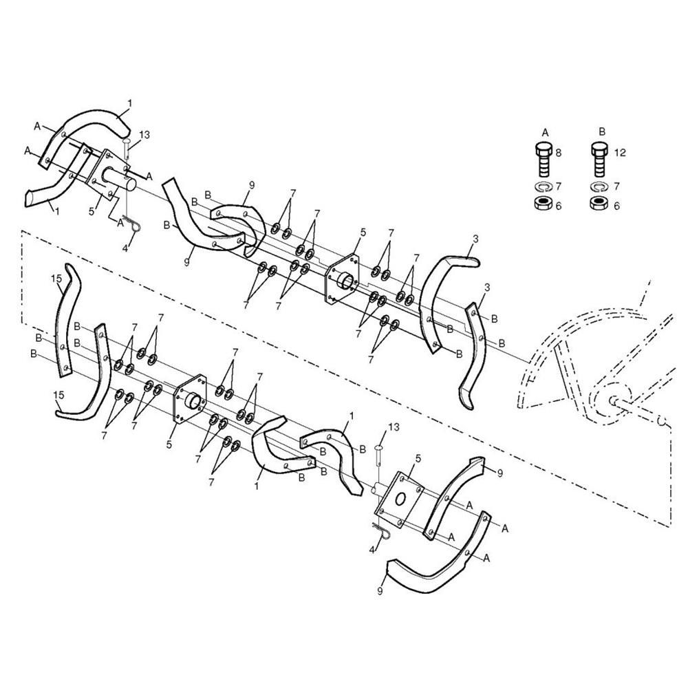
Description
The Tine Assembly for the Husqvarna CRT 1350 LS Cultivator/Tiller is designed to enhance soil preparation and cultivation. This assembly includes essential components that ensure efficient tilling and soil aeration, helping to maintain optimal performance. Genuine Husqvarna parts are available to suit various tilling needs, ensuring durability and reliability for your gardening tasks.
Reviews
Add a review
Write Your Own Review
Ask a Question
Customer Questions

