Description
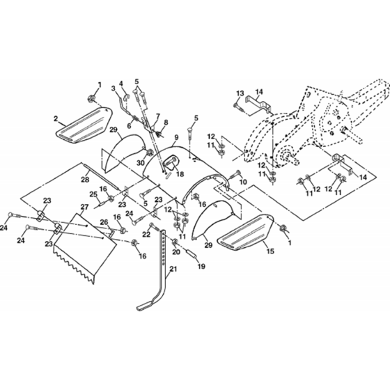
The Tine Shield Assembly for the Husqvarna 550CRTT Cultivator/Tiller is designed to protect the machine's tines during operation, ensuring efficient soil cultivation. This assembly includes various components such as shields and brackets, which help in maintaining the tiller's performance. Both genuine and non-genuine parts are available, offering flexibility for maintenance and repair needs.
Reviews
Add a review
Write Your Own Review
Ask a Question
Customer Questions

