Description
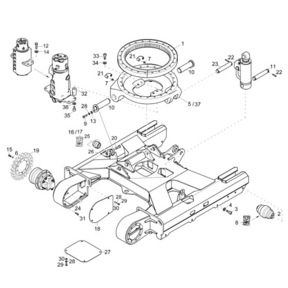
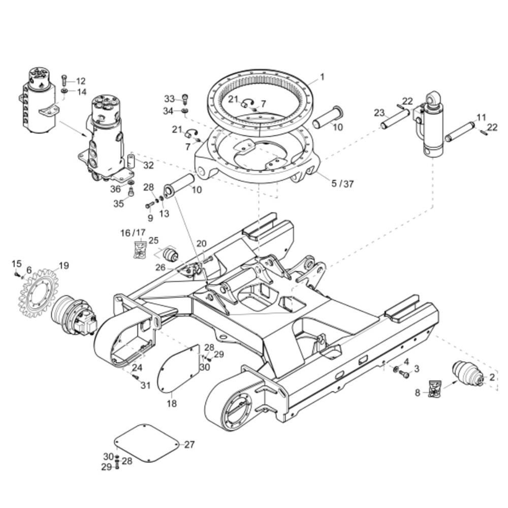
The Track Laying Gear Assembly for the Wacker ET24 Mini Excavator is essential for maintaining optimal machine performance. This assembly includes components such as tracks, rollers, and sprockets, which ensure smooth operation and stability. Designed for durability and efficiency, these parts help in navigating various terrains while reducing wear and tear on the excavator.
Reviews
Add a review
Write Your Own Review
Ask a Question
Customer Questions

