Description
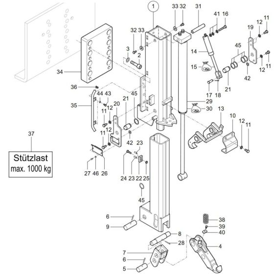
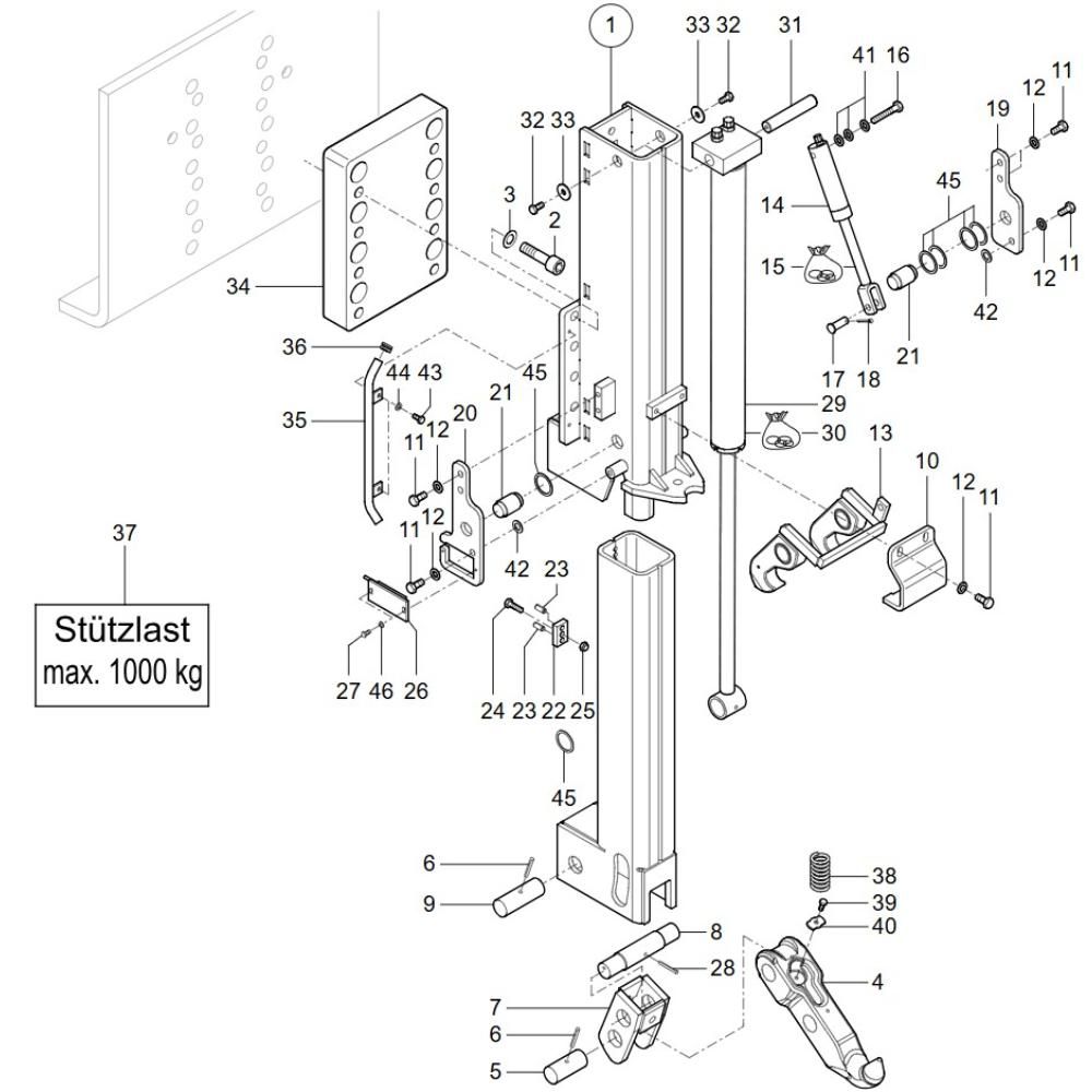
The Trailer Hitch Assembly for the Wacker TH730 (415-14) Telehandler is designed to facilitate secure towing and transport tasks. This assembly includes key components such as the hitch receiver, mounting brackets, and locking pins, ensuring reliable attachment and operation. Suitable for various towing applications, it enhances the versatility and functionality of the telehandler.
Reviews
Add a review
Write Your Own Review
Ask a Question
Customer Questions

