Description
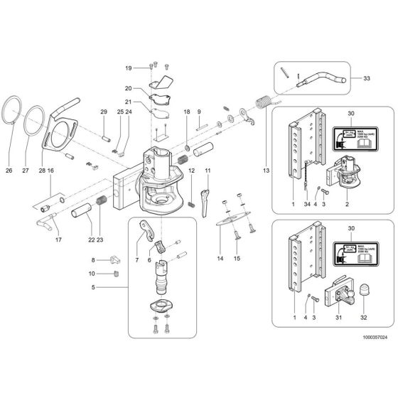
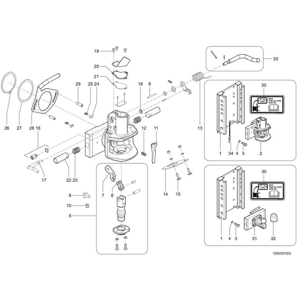
The Trailer Hitch Assembly for the Wacker TH730 (415-34) Telehandler is designed to facilitate secure towing and transport tasks. This assembly includes components such as the hitch frame, locking pins, and mounting brackets, ensuring reliable attachment and operation. Essential for maintaining the telehandler's versatility, it supports various towing applications.
Reviews
Add a review
Write Your Own Review
Ask a Question
Customer Questions

