Description
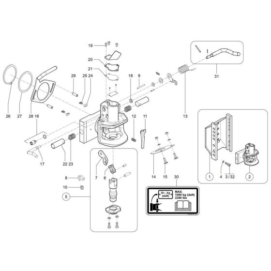
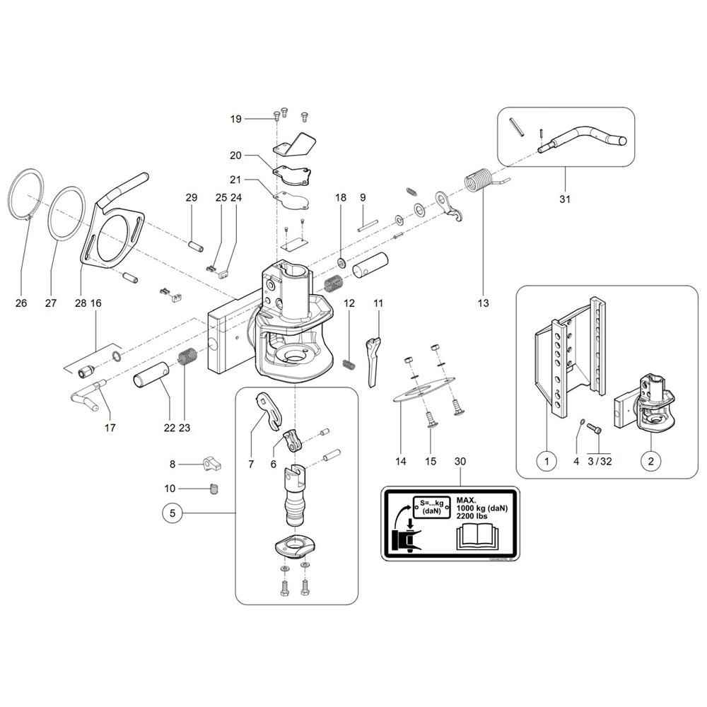
The Trailer Hitch Assembly for the Wacker TH744 (416-22) Telehandler is designed to facilitate secure towing and transport tasks. This assembly includes components such as the hitch receiver, mounting brackets, and locking pins, ensuring compatibility and reliability. Essential for maintaining the telehandler's functionality, it supports various towing applications.
Reviews
Add a review
Write Your Own Review
Ask a Question
Customer Questions

