Description
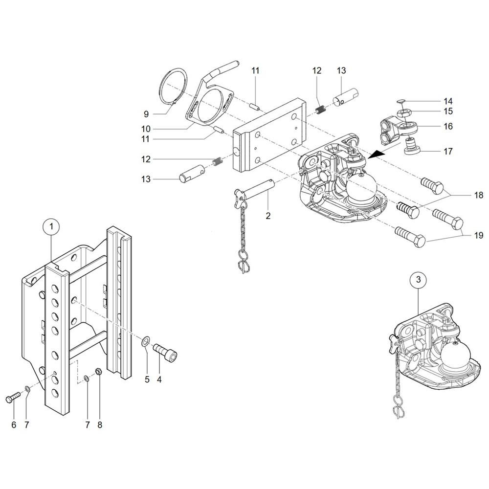
The Trailer Hitch Assembly for the Wacker TH755 (416-34) Telehandler is designed to facilitate secure towing and transport tasks. This assembly includes components such as mounting brackets, pins, and locking mechanisms, ensuring reliable performance. Genuine Wacker Neuson parts guarantee compatibility and durability for demanding work environments.
Reviews
Add a review
Write Your Own Review
Ask a Question
Customer Questions

