Description
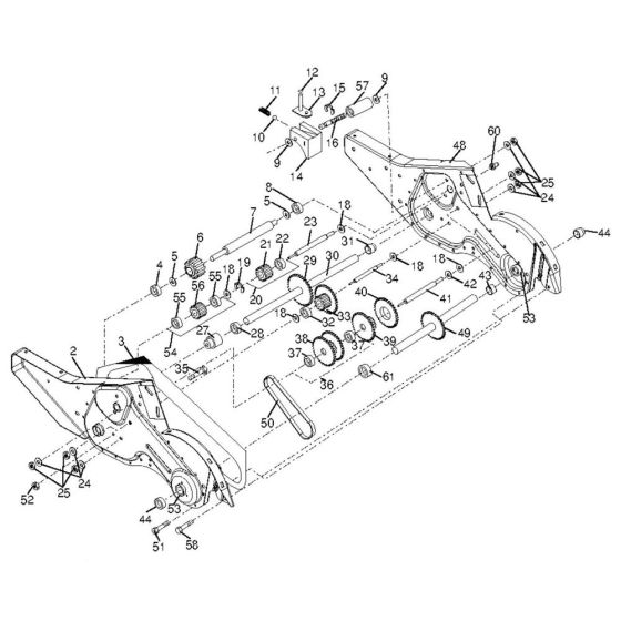
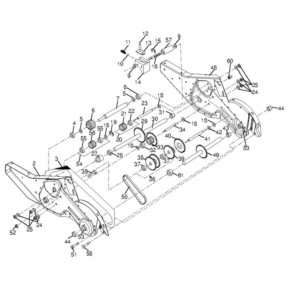
The Transmission Assembly for the Husqvarna DRT 900 LS Cultivator/Tiller is designed to ensure efficient power transfer and smooth operation. Essential for maintaining the performance of your cultivator, this assembly includes components such as gears, shafts, and bearings. These parts work together to provide reliable functionality, enhancing the durability and efficiency of your equipment.
Reviews
Add a review
Write Your Own Review
Ask a Question
Customer Questions

