Description
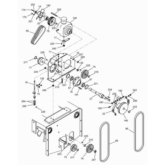
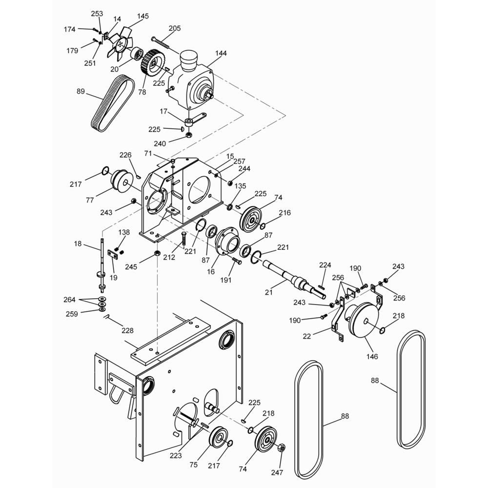
The Transmission Assembly for the Wacker RSS800A Single Drum Roller is crucial for efficient operation. It ensures smooth power transfer and optimal performance. This assembly includes key components such as gears, shafts, and bearings, designed to withstand rigorous use. Essential for maintaining the roller's functionality, it supports the machine's ability to compact surfaces effectively.
Reviews
Add a review
Write Your Own Review
Ask a Question
Customer Questions

