Description
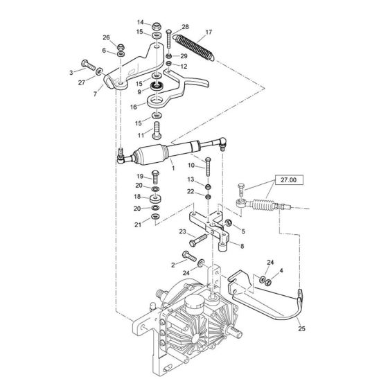
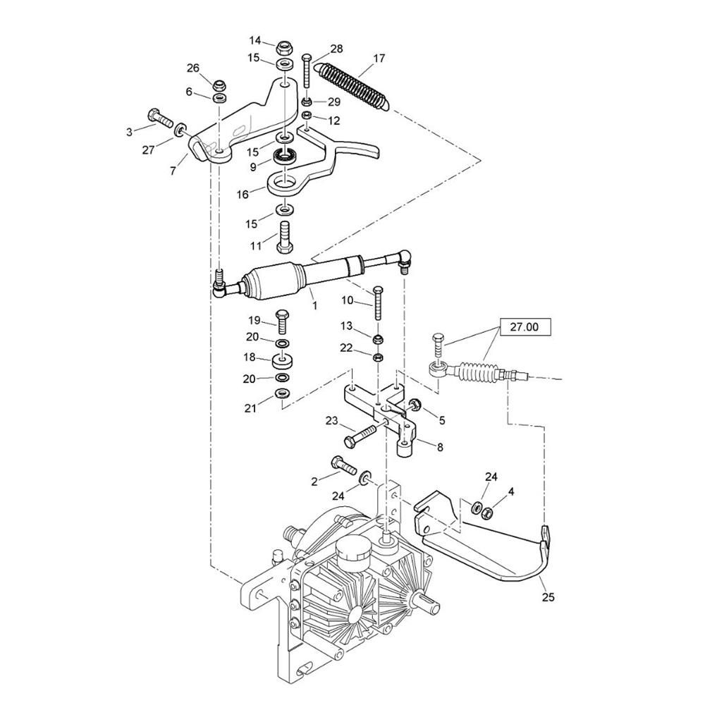
The Transmission Installation for the Bomag BW 71 EHB-2 Roller ensures optimal performance and longevity. This assembly includes crucial components like gears, shafts, and bearings, designed to facilitate smooth operation and efficient power transfer. Suitable for serial numbers 101620261001 to 101620261081, it is essential for maintaining the roller's functionality and reliability.
Reviews
Add a review
Write Your Own Review
Ask a Question
Customer Questions

