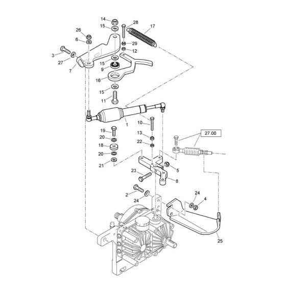
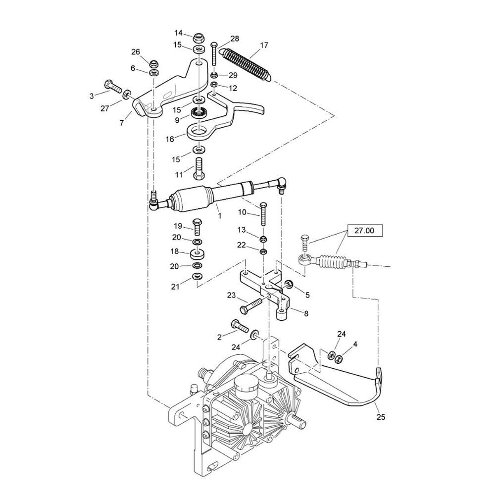
Description
The Transmission Installation Assembly for the Bomag BW 71 EHB-2 Roller ensures optimal performance and longevity. This assembly includes essential components designed to facilitate the smooth operation of the roller's transmission system. Genuine Bomag parts are used to maintain the integrity and efficiency of the machine, supporting reliable function in various construction tasks.
Reviews
Add a review
Write Your Own Review
Ask a Question
Customer Questions

