Description
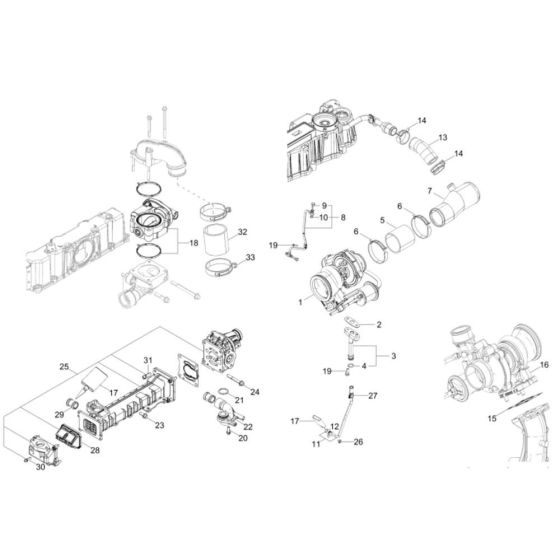
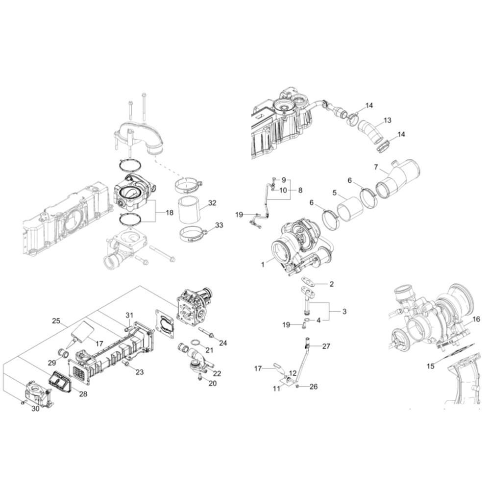
The Turbo Supercharger Assembly for the Wacker DV60 Dumper enhances engine performance by increasing air intake efficiency. This assembly is crucial for maintaining optimal power output and fuel efficiency. It includes components such as turbines, compressors, and housings, ensuring reliable operation under demanding conditions. Genuine Wacker Neuson parts guarantee compatibility and durability.
Reviews
Add a review
Write Your Own Review
Ask a Question
Customer Questions

