Description
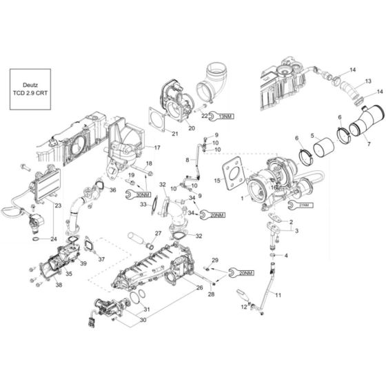
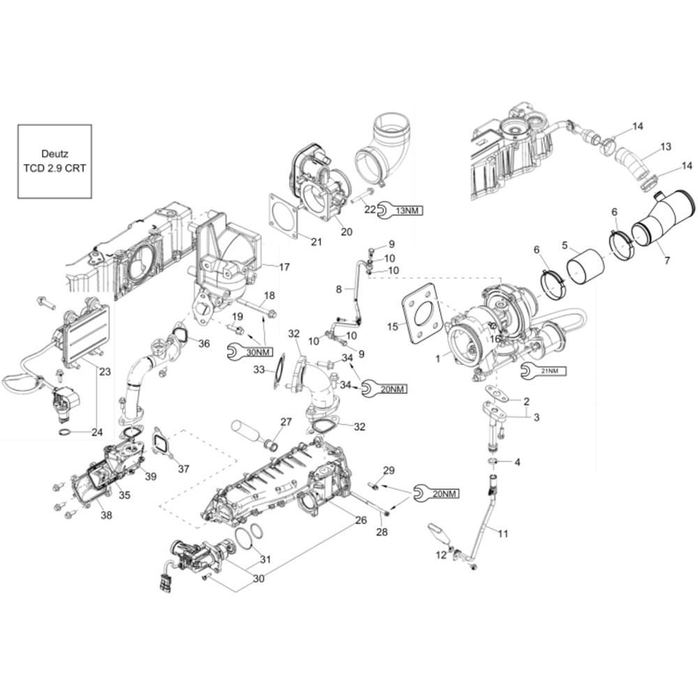
The Turbo Supercharger Assembly for the Wacker DW50 Dumper enhances engine performance by increasing air intake efficiency. Essential for maintaining optimal power and fuel efficiency, this assembly includes components such as turbines, compressors, and housings. Designed for the Wacker Neuson Dumper, it ensures reliable operation under demanding conditions.
Reviews
Add a review
Write Your Own Review
Ask a Question
Customer Questions

