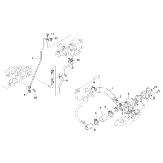
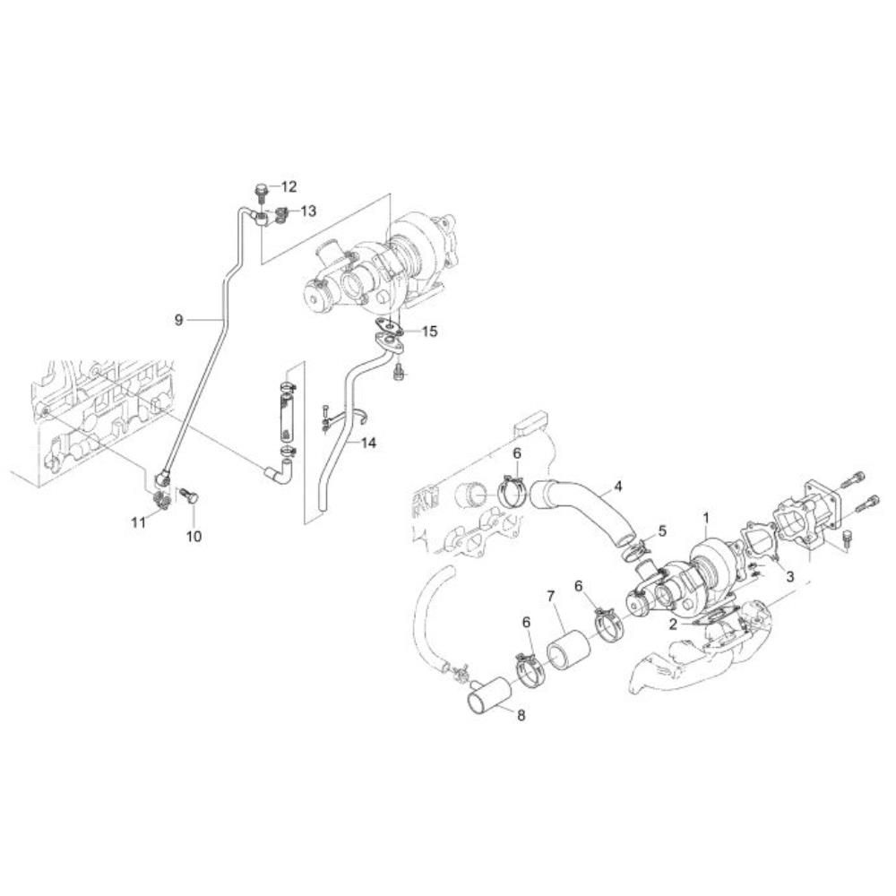
Description
The Turbocharger Assembly for the Wacker DT25 Track Dumper is designed to enhance engine efficiency and performance. This assembly ensures optimal airflow and power delivery, crucial for demanding tasks. Components include the turbine, compressor, and housing, all engineered to withstand high temperatures and pressures. Genuine Wacker Neuson parts ensure compatibility and reliability.
Reviews
Add a review
Write Your Own Review
Ask a Question
Customer Questions

