Description
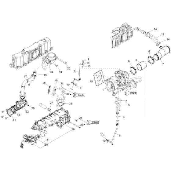
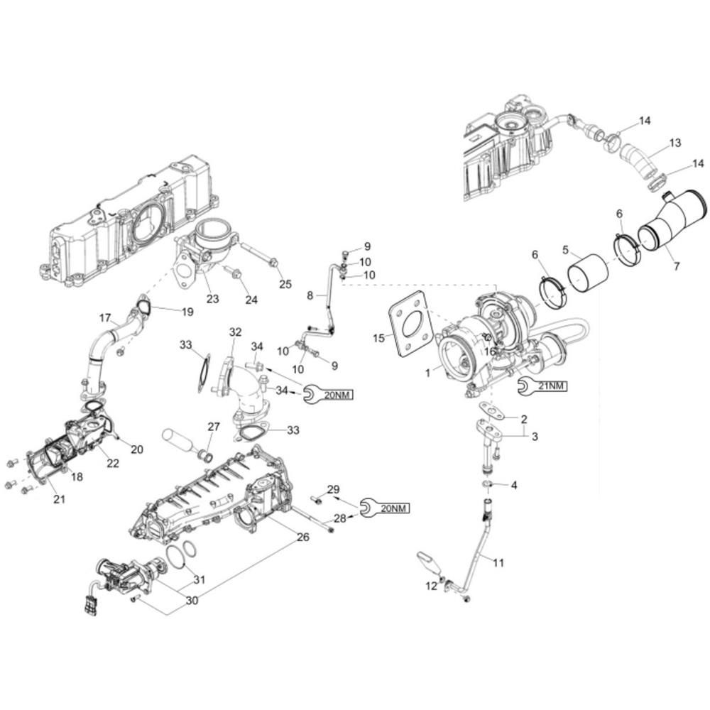
The Turbosupercharger Assembly for the Wacker ET90 Mini Excavator is designed to enhance engine performance by increasing air intake efficiency. This assembly includes key components such as the compressor, turbine, and housing, ensuring optimal power output and fuel efficiency. Genuine Wacker Neuson parts provide reliability and longevity for demanding excavation tasks.
Reviews
Add a review
Write Your Own Review
Ask a Question
Customer Questions

