Description
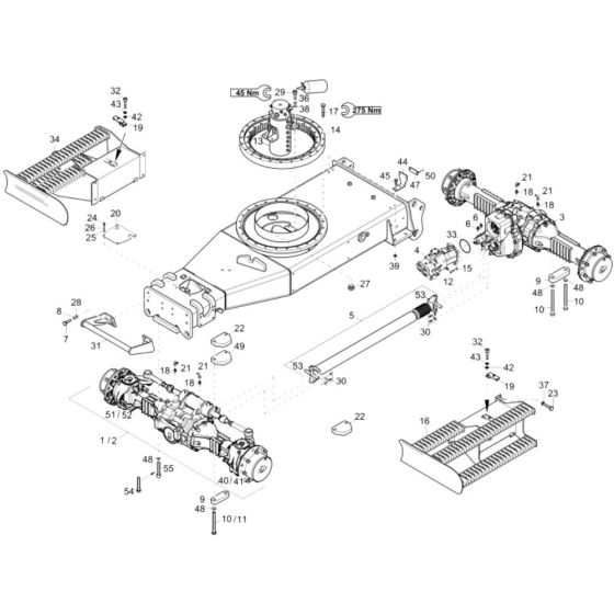
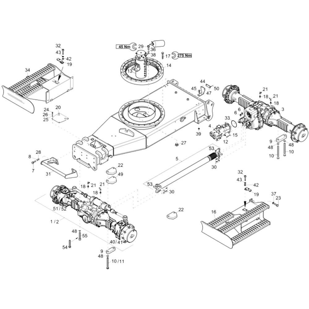
The Undercarriage Assembly for the Wacker 6503 Excavator includes essential components to ensure optimal performance and durability. This assembly is crucial for the stability and mobility of the excavator, featuring parts such as tracks, rollers, and idlers. Genuine Wacker Neuson parts are designed for reliability and longevity, supporting efficient operation in various construction environments.
Reviews
Add a review
Write Your Own Review
Ask a Question
Customer Questions

