Description
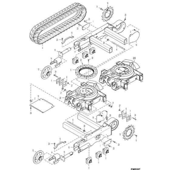
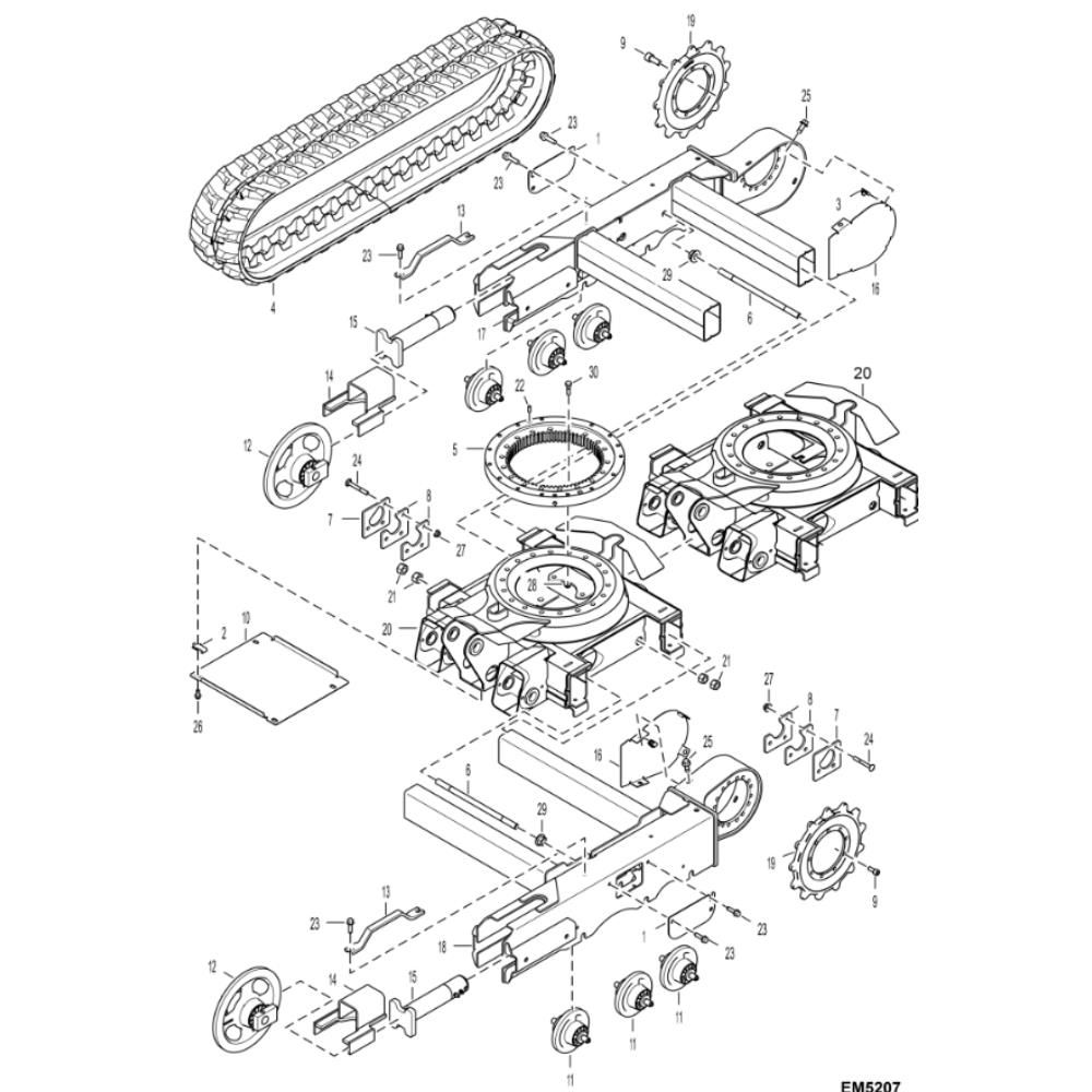
The Undercarriage Assembly for BobCat E14 Mini Excavators is designed to support the machine's stability and mobility. Suitable for models with serial numbers AHNM11001 and above, it includes components like tracks, rollers, and idlers. These parts ensure optimal ground contact and load distribution, enhancing the excavator's performance and longevity. Available in genuine and non-genuine options.
Reviews
Add a review
Write Your Own Review
Ask a Question
Customer Questions

