Description
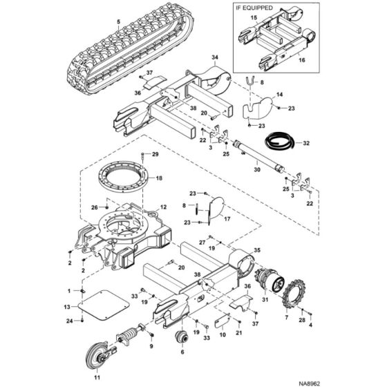
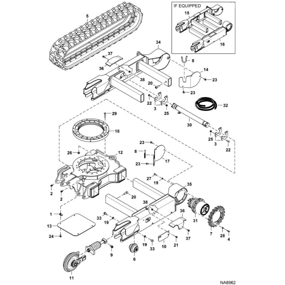
The Undercarriage Assembly for BobCat E17 Mini Excavators is designed to ensure optimal performance and durability. Suitable for models with serial numbers B4PJ11001 and above, this assembly includes essential components such as tracks, rollers, and idlers. These parts work together to provide stability and manoeuvrability on various terrains, enhancing the machine's operational efficiency.
Reviews
Add a review
Write Your Own Review
Ask a Question
Customer Questions

