Description
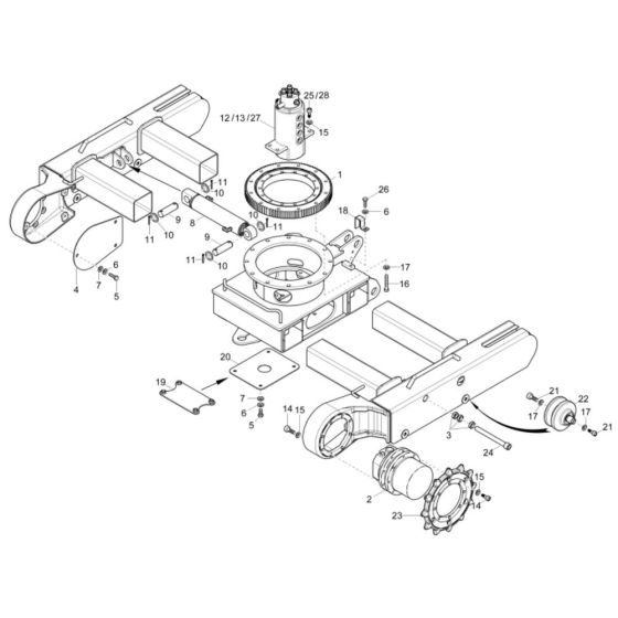
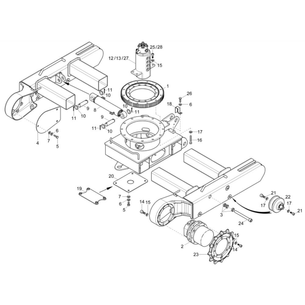
The undercarriage assembly for the Wacker 803 Mini Excavator includes essential components designed to ensure stability and mobility. This assembly is crucial for maintaining the excavator's performance and includes tracks, rollers, and idlers. Genuine Wacker Neuson parts are used to guarantee compatibility and durability, providing reliable operation in various construction environments.
Reviews
Add a review
Write Your Own Review
Ask a Question
Customer Questions

