Description
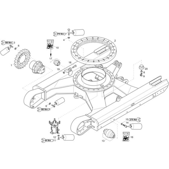
The Undercarriage Assembly for the Wacker EZ53 Mini Excavator includes essential components designed to ensure stability and mobility on various terrains. This assembly helps maintain the excavator's performance by providing reliable support and traction. Typical parts include tracks, rollers, idlers, and sprockets, all crucial for efficient operation. Genuine Wacker Neuson parts ensure compatibility and durability.
Reviews
Add a review
Write Your Own Review
Ask a Question
Customer Questions

