Description
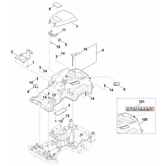
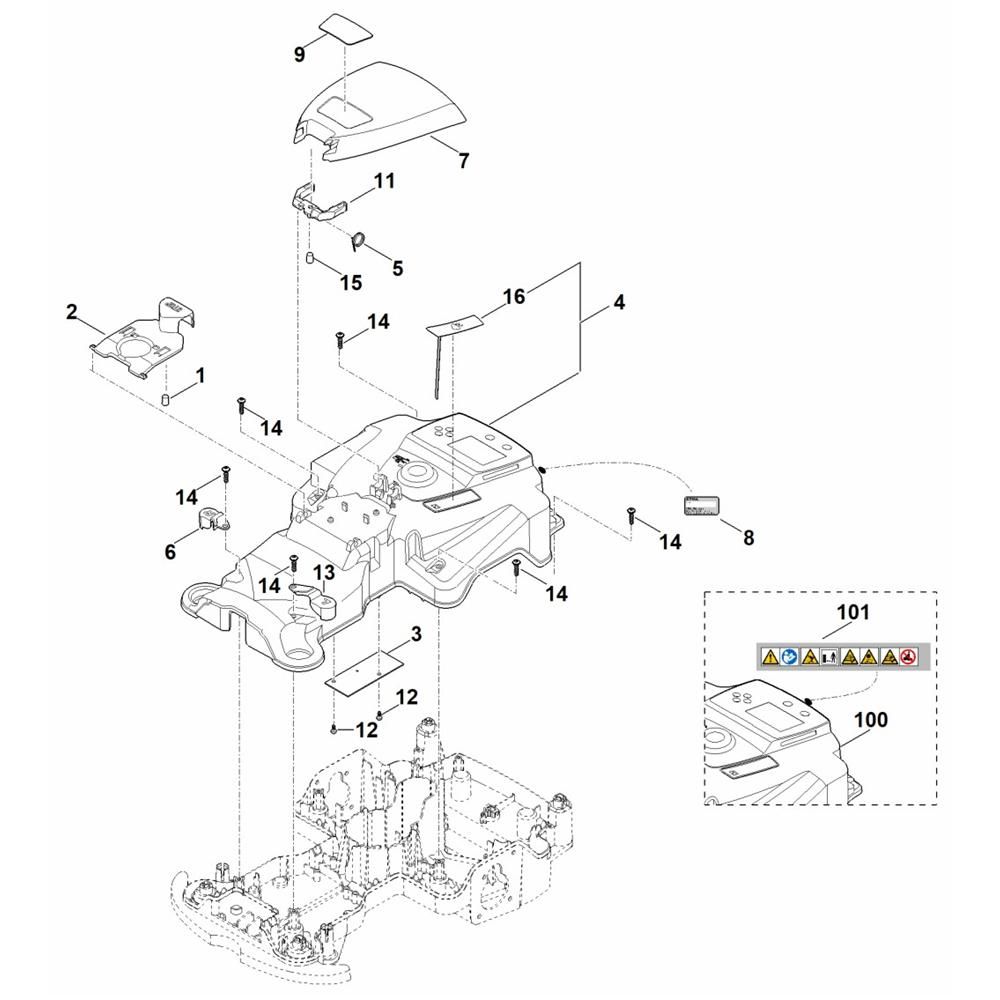
The Upper Housing Assembly for the Stihl RMI 422.0 PC Robotic Mower is designed to protect and encase the mower's internal components. This genuine Stihl part ensures durability and compatibility, providing a secure fit for optimal performance. It includes essential elements like the cover and fasteners, safeguarding the mower from environmental factors.
Reviews
Add a review
Write Your Own Review
Ask a Question
Customer Questions

