Description
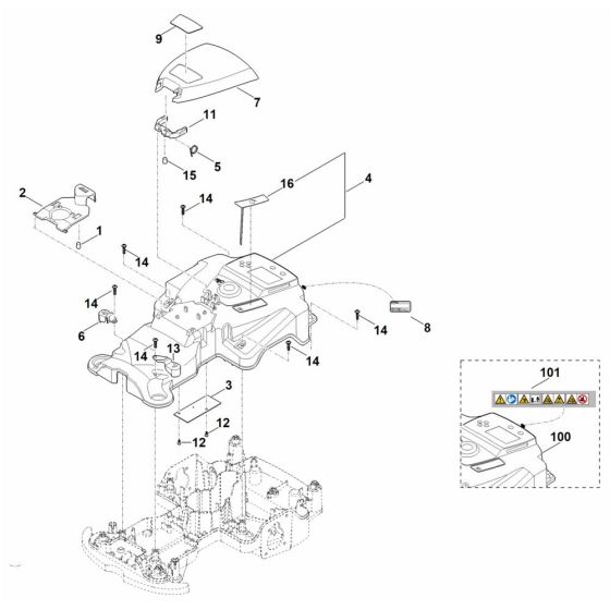
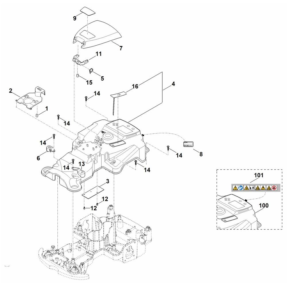
The Upper Housing Assembly for the Stihl RMI 422.0 Robotic Mower is designed to protect and encase the mower's internal components. This genuine Stihl part ensures durability and optimal performance, safeguarding the mower from environmental elements. It includes various components that contribute to the mower's efficient operation.
Reviews
Add a review
Write Your Own Review
Ask a Question
Customer Questions

