Description
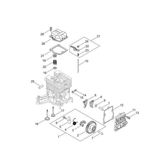
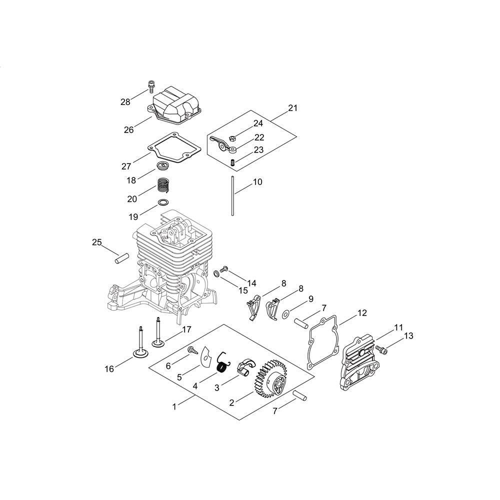
The valve for the Shindaiwa M2510 Multi-Tool is a crucial component ensuring optimal performance and longevity. Designed specifically for the Shindaiwa M2510, this genuine part helps regulate the flow of air and fuel, maintaining efficient operation. Suitable for routine maintenance and repairs, it supports the tool's functionality in various gardening and landscaping tasks.
Reviews
Add a review
Write Your Own Review
Ask a Question
Customer Questions

