Description
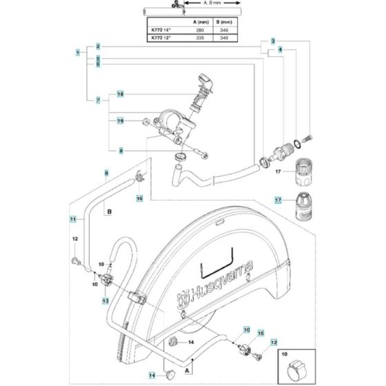
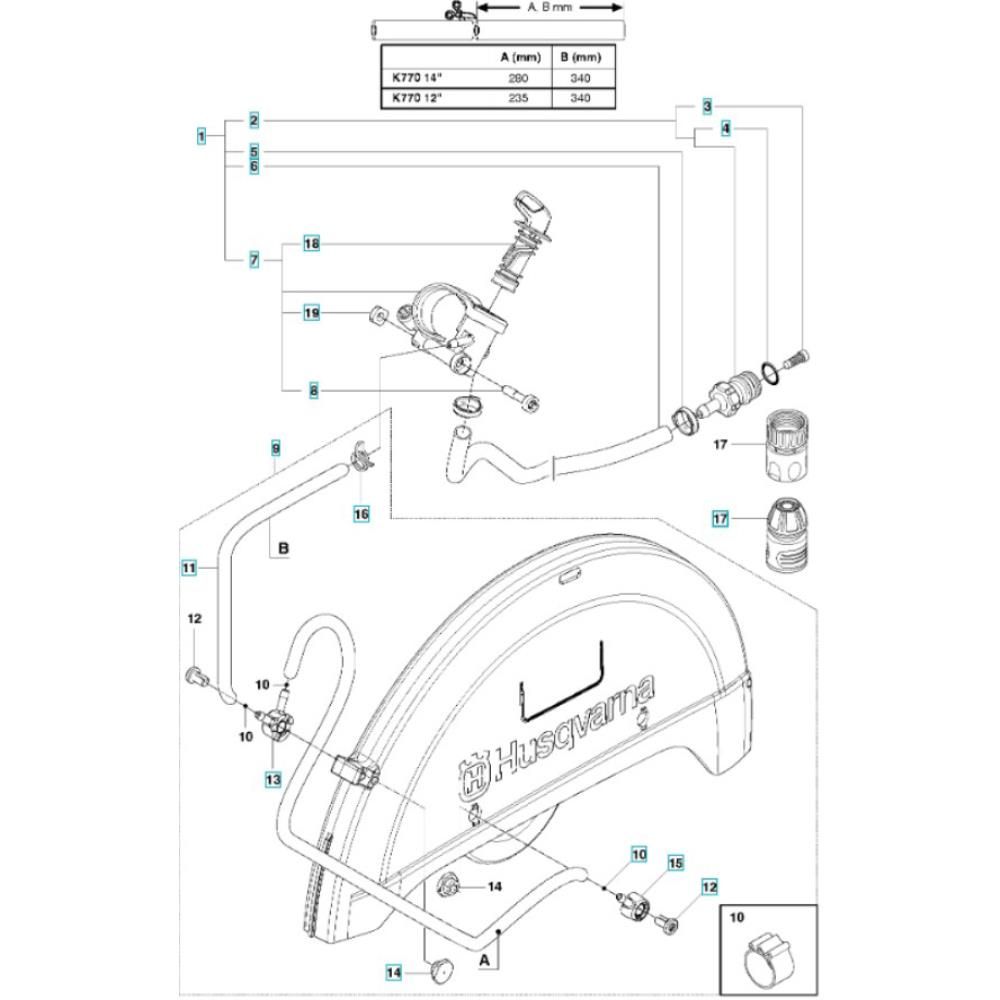
The Water Hose Assembly for the Husqvarna K770 OilGuard Disc Cutter is designed to ensure efficient water delivery during cutting operations. This assembly helps to minimise dust and improve cutting performance by providing a consistent water flow. Essential components include hoses, connectors, and seals, all crafted to fit seamlessly with the K770 model. Regular maintenance of these parts ensures optimal performance and longevity of the disc cutter.
Reviews
Add a review
Write Your Own Review
Ask a Question
Customer Questions

