Description
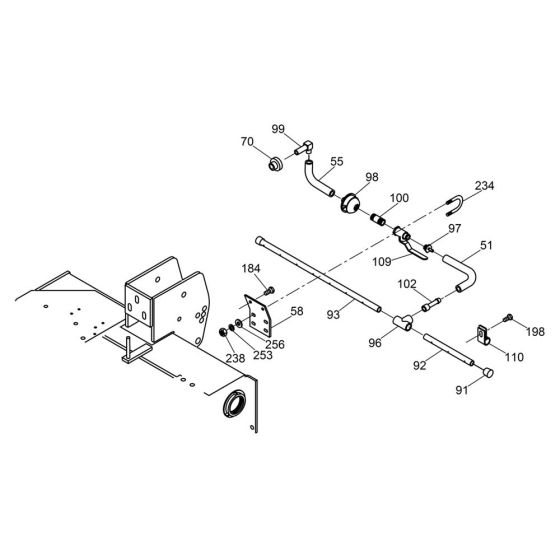
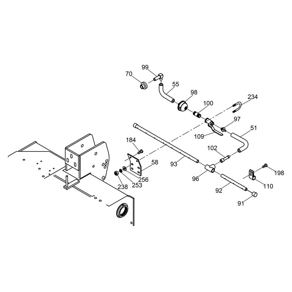
The Water System Assembly for the Wacker RS800H Roller is designed to ensure optimal performance and longevity of the roller. This assembly includes essential components such as hoses, nozzles, and tanks, which facilitate efficient water distribution during operation. Genuine Wacker Neuson parts ensure compatibility and reliability, maintaining the roller's effectiveness in various conditions.
Reviews
Add a review
Write Your Own Review
Ask a Question
Customer Questions

