Description
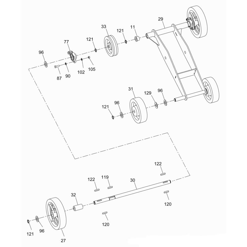
The Wheel Assembly for the Wacker BFS 20 Floor Saw includes essential components to ensure smooth operation and mobility. Designed specifically for the Wacker Neuson model, this assembly helps maintain the saw's performance by providing reliable support and movement. Components may include wheels, axles, and brackets, ensuring durability and ease of use.
Reviews
Add a review
Write Your Own Review
Ask a Question
Customer Questions

