Description
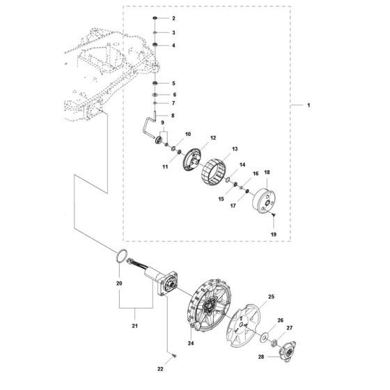
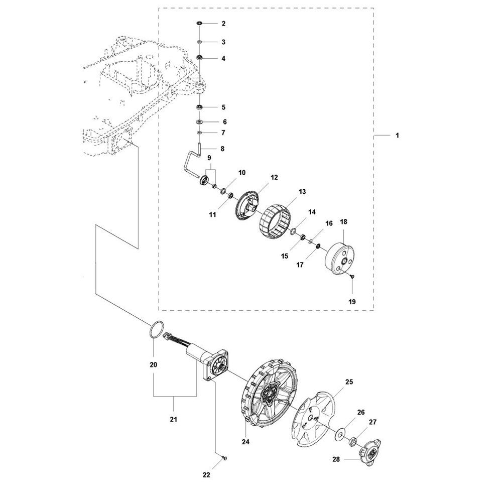
The Wheel and Tyres Assembly for the Husqvarna Automower Limited Edition ensures optimal traction and manoeuvrability on various terrains. This assembly includes essential components designed to maintain the mower's performance and stability. Genuine Husqvarna parts guarantee compatibility and durability, making them ideal for routine maintenance and repair tasks.
Reviews
Add a review
Write Your Own Review
Ask a Question
Customer Questions

