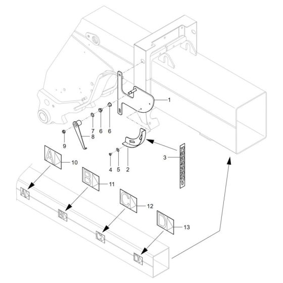
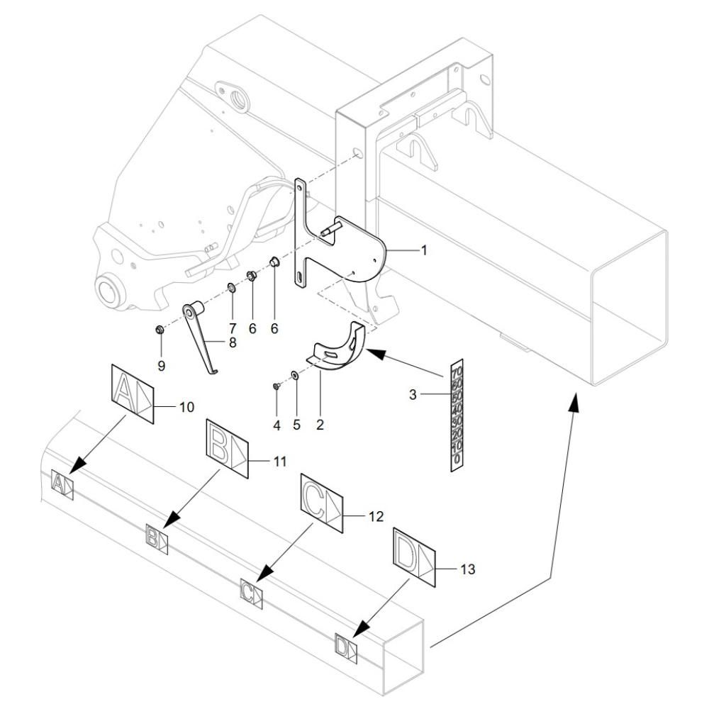
Description
The Angle Adjustment Assembly for the Wacker TH755 (416-24) Telehandler is essential for precise positioning and operation. This assembly includes components such as levers, brackets, and pins that ensure accurate angle adjustments. Designed for the Wacker Neuson Telehandler, it supports efficient handling and manoeuvrability in various tasks.
Reviews
Add a review
Write Your Own Review
Ask a Question
Customer Questions

