
Wacker TH755 (416-24) Telehandler Parts
Shop by diagram
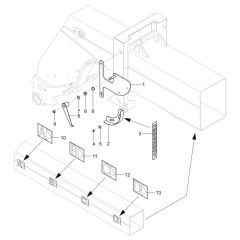
Trailer Hitch Assembly
Trailer Hitch for Wacker TH755
Tools for Wacker TH755
Wacker TH755 Decals
Wacker TH755 Decals
Air Conditioner Assembly
Heating Assembly for Wacker TH755
Seat Assembly for Wacker TH755
Seat Assembly for TH755
Rearview Mirror Assembly
Wiper Device Assembly
Door Assembly for Wacker TH755
Window Assembly for Wacker TH755
Cabin Assembly for Wacker TH755
Angle Adjustment Assembly
Rocker Arm Assembly for TH755
Mounting Assembly for Wacker TH755
Telescopic Boom Assembly
Engine Box Assembly for TH755
Wheel Cover Assembly
Battery Assembly for TH755
Instrument Panel for Wacker TH755
Instrument Panel for Wacker TH755
Lighting Assembly for Wacker TH755
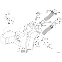
Regulation Ram Assembly
Extension Cylinder for TH755
Tilt Ram Assembly for Wacker TH755
Lift Cylinder Assembly
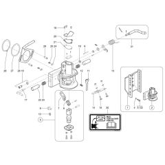
Control Unit for Wacker TH755
Oil Tank Assembly for TH755
Steering Column Assembly
Air Brake Assembly for TH755
Brake Assembly for Wacker TH755
Brake Pedal Assembly
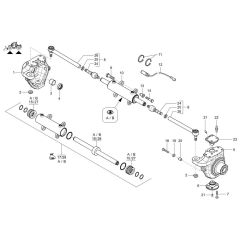
Wheel Hub Assembly for TH755
Steering Cylinder Assembly
Brake Rear Assembly for TH755
Differential Rear Assembly
Angle Drive for Wacker TH755
Axle Tube Rear Assembly
Front Brake Assembly
Front Differential for Wacker TH755
Angle Drive Assembly for TH755
Axle Tube Assembly for TH755
Control Cover Assembly
Gearbox Assembly for TH755
Displacement Pump for Wacker TH755
Cooler Assembly for Wacker TH755
Fan Drive Assembly for TH755
DEF Assembly for Wacker TH755
Air Cleaner for Wacker TH755