Description
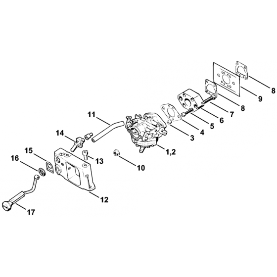
The Carburetor Adapter Assembly for Stihl TS350 and TS360 Disc Cutters is designed to ensure optimal fuel and air mixture for efficient engine performance. This assembly includes components such as gaskets, seals, and connectors, essential for maintaining the cutter's functionality. Suitable for routine maintenance and repair, it helps prolong the life of your equipment.
Reviews
Add a review
Write Your Own Review
Ask a Question
Customer Questions

