
Stihl TS350/TS360 Disc Cutter Parts
Genuine spare parts and accessories for Stihl's TS350 & TS360 Cut Off Saws.
Huge selection in stock available for next day delivery. Buy from an approved Stihl dealer.
Genuine spare parts and accessories for Stihl's TS350 & TS360 Cut Off Saws.
Huge selection in stock available for next day delivery. Buy from an approved Stihl dealer.
Shop by diagram
Tools for Stihl TS350
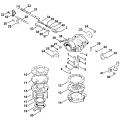
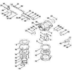
Crankcase Assembly for Stihl
Stop Depth Wheel Cart Assembly
Support with Guard for Stihl
Water Tank Assembly for Stihl
Water Tank Assembly for Stihl
Water Tank Assembly for Stihl
Support with Guard Assembly
Stihl TS350 TS360 Tools
Carburetor Assembly for Stihl
Water Attachment for Stihl TS350
Cutquik Cart Splash Guard
Cylinder Muffler Assembly
Starter & Ignition Assembly
Water Tank Assembly for Stihl
Guide Wheel Kit for Stihl
Handle Frame for Stihl TS350 TS360
Water Attachment Assembly
Clutch Pick-up Body Assembly
Filter Housing & Air Filter
Assembly Stand for Stihl TS350
Carburetor HL-327 Assembly