
Stihl TS440 Disc Cutter Parts
Genuine and Aftermarket Spares for Stihl's TS 440 Disc Cutter, Cut-off Saw Machine Parts in Stock and ready for Next Day Delivery.
Genuine and Aftermarket Spares for Stihl's TS 440 Disc Cutter, Cut-off Saw Machine Parts in Stock and ready for Next Day Delivery.
Shop by diagram

Stihl TS440 Air Filter Assembly

TS440 Brake Assembly Parts

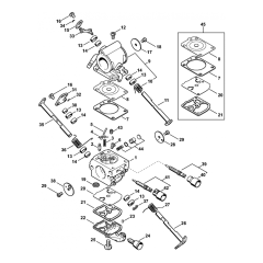
TS440 Carburettor Parts

TS440 Clutch Handlebar Parts

TS440 Connector Parts

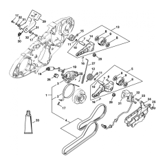
TS440 Crankcase Parts

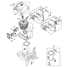
TS440 Cylinder Muffler Parts

TS440 Disc Cutter Deflector

Stihl TS440 Ignition & Water Control

TS440 Water Tank Parts

TS440 Rewind Starter Parts

TS440 Tank Housing Parts

Stihl TS440 Tools & Extras

TS440 Disc Cutter Wheel Kit
All products
-
Square Nut for Stihl TS410 TS420 - 4224 708 8300£1.81 £1.51
-
Piston Circlip for Stihl TS400 - 9463 650 1000£0.79 £0.66
-
E-Clip 4 for Stihl MS181, MS170 - 9460 624 0400£0.48 £0.40