excellent reviews view over 8000 reviews
next day delivery over 500,000 items in stock
no hassle returns buy with confidence
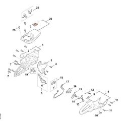
Stihl TSA300 Battery Disc Cutter Parts

Stihl TSA300 Battery Disc Cutter Parts

All products

Page

1-48 of 63 Items

Set Descending Direction
  1. Stihl AP Lithium-ion Batteries

    Starting at £169.99 £141.66

    VIEW
Page

1-48 of 63 Items

Set Descending Direction

Recently viewed products