Description
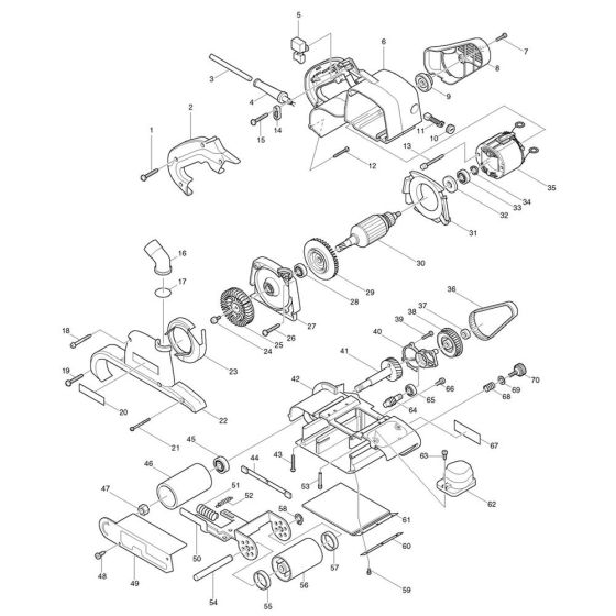
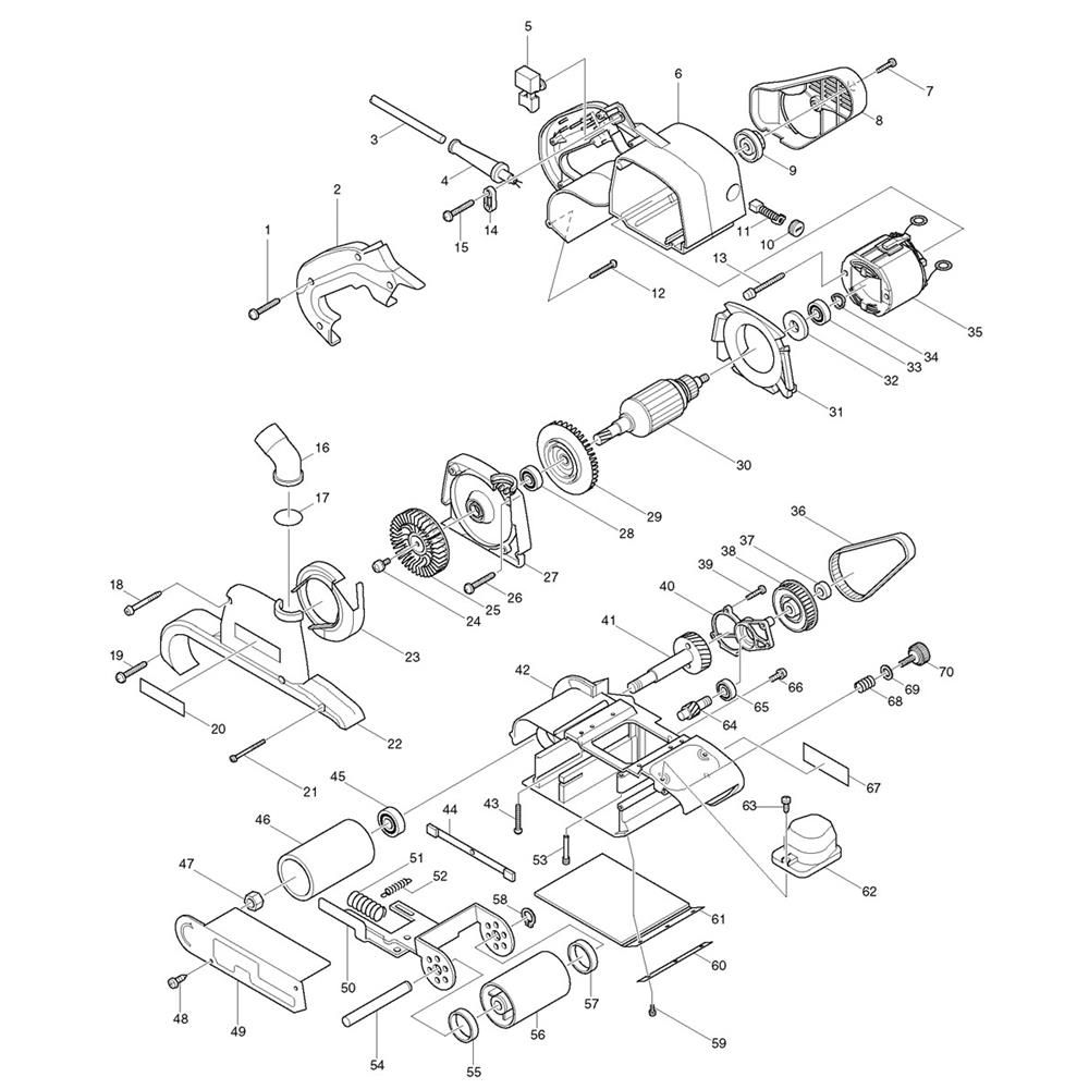
The Complete Assembly for the Makita 9403 Belt Sander includes all necessary components to ensure optimal performance and longevity. This genuine Makita assembly is designed to facilitate efficient sanding operations by providing reliable parts such as belts, rollers, and tensioners. Ideal for both routine maintenance and repairs, it helps maintain the sander's functionality and precision.
Reviews
Add a review
Write Your Own Review
Ask a Question
Customer Questions

