
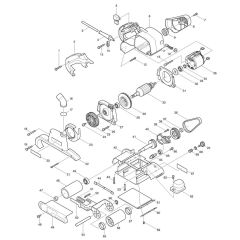
Makita 9403 Belt Sander Parts
Shop by diagram
All products
-
Pulley for Makita 9403 Sander - OEM No. 222147-2£7.36 £6.13 -
Driving Roller for Makita 9403 Sander - OEM No. 162199-0£17.06 £14.22