
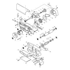
Makita 9911 Belt Sander Parts
Shop by diagram
All products
-
Makita Cord Guard HP1641/BO5031/HP16 - 682504-0£2.27 £1.89 -
Makita Compression Spring 12 9911 - 233221-1£0.62 £0.52 -
Makita Power Supply Cord 1.0-2-2.5 - 692021-2£7.84 £6.53 -
Makita Power Supply Cord 1.0-2-2.5 - 665918-8£10.02 £8.35 -
Makita Strain Relief UH4570/55/5580/ - 687063-9£0.48 £0.40 -
Makita Blue Washer 8 HR5000k - 253865-1£0.79 £0.66 -
Makita Earth Supporter 9911 - 344703-9£0.79 £0.66 -
Strain Relief for Makita Machines - 687052-4£0.79 £0.66 -
Makita Pt Screw 4x60 Trilobular HR24 - 266052-3£0.94 £0.78 -
Makita Plate 9911 - 344584-1£0.94 £0.78 -
Makita Washer 12 9911 - 267177-6£1.25 £1.04 -
Makita Rubber Sleeve 29 ( 9911 ) - 422032-1£1.26 £1.05 -
Makita Baffle Plate 9911 - 416418-9£1.56 £1.30 -
Makita Name Plate 9911 - 859230-8£1.56 £1.30 -
Makita Scroll Plate 9911 - 416416-3£2.14 £1.78 -
Makita Lever 9911 - 344585-9£2.27 £1.89 -
Makita Needle Bearing 509 ( 9911 ) - 212009-2£2.99 £2.49 -
Makita Tension Roller Shaft 9911 - 323776-5£3.00 £2.50