Description
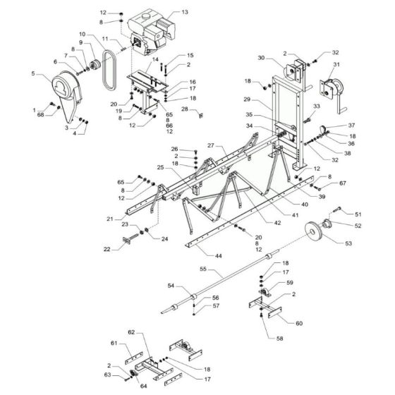
The Complete Assembly for the Wacker SP50 Truss Screed includes essential components to ensure optimal performance and longevity of the screed. Designed for efficient concrete levelling, it features genuine Wacker Neuson parts. This assembly helps maintain the machine's reliability and effectiveness in construction tasks.
Reviews
Add a review
Write Your Own Review
Ask a Question
Customer Questions

