
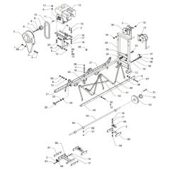
Wacker SP50 Truss Screed Parts
Shop by diagram
All products
-
Gas Engine for Wacker Machines - OEM No. 5100045995£534.49 £445.41 -
Bracket, Genuine Wacker Part - OEM No. 5000130191£13.76 £11.47 -
Winch-Manual, Genuine Wacker Part - OEM No. 5000130439£156.36 £130.30 -
Pulley, Genuine Wacker Part - OEM No. 5000130727£228.36 £190.30 -
Engine Mount, Genuine Wacker Part - OEM No. 5000130729£347.88 £289.90 -
Cable Guide, Genuine Wacker Part - OEM No. 5000130187£28.91 £24.09 -
Hook, Genuine Wacker Part - OEM No. 5000130150£13.92 £11.60 -
Pulley, Genuine Wacker Part - OEM No. 5000116409£78.50 £65.42 -
Winch & Cable, Genuine Wacker Part - OEM No. 5000130658£201.12 £167.60 -
Winch & Cable, Genuine Wacker Part - OEM No. 5000130659£265.56 £221.30