
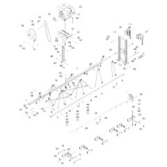
Wacker HP100 Truss Screed Parts
All products
-
Gas Engine for Wacker Machines - OEM No. 5100045995£534.49 £445.41 -
Nut PDi2a - Genuine Wacker Part No. 0025619£0.82 £0.68 -
Label, Genuine Wacker Part - OEM No. 5000401564£7.26 £6.05 -
Bracket, Genuine Wacker Part - OEM No. 5000130191£13.76 £11.47 -
Engine Mount, Genuine Wacker Part - OEM No. 5000130241£78.42 £65.35 -
Shaft, Genuine Wacker Part - OEM No. 5000130442£125.40 £104.50 -
Winch-Manual, Genuine Wacker Part - OEM No. 5000130439£156.36 £130.30 -
Frame, Genuine Wacker Part - OEM No. 5000130192£273.48 £227.90 -
Shaft Key, Genuine Wacker Part - OEM No. 5000130441£11.22 £9.35 -
Cable Guide, Genuine Wacker Part - OEM No. 5000130187£28.91 £24.09 -
Hook, Genuine Wacker Part - OEM No. 5000130150£13.92 £11.60 -
Pulley, Genuine Wacker Part - OEM No. 5000116409£78.50 £65.42 -
Pulley, Genuine Wacker Part - OEM No. 5000130440£64.87 £54.06 -
Mount, Genuine Wacker Part - OEM No. 5000130174£105.14 £87.62 -
Tube Cpl., Genuine Wacker Part - OEM No. 5000130201£247.32 £206.10 -
T-Blade, Genuine Wacker Part - OEM No. 5000130515£242.88 £202.40 -
L-Blade, Genuine Wacker Part - OEM No. 5000116386£135.96 £113.30