Description
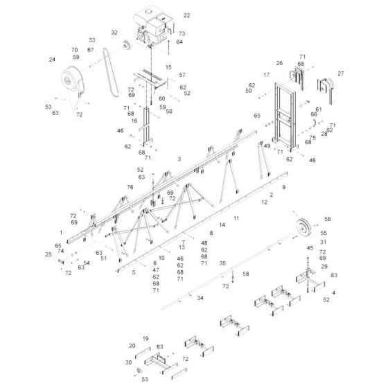
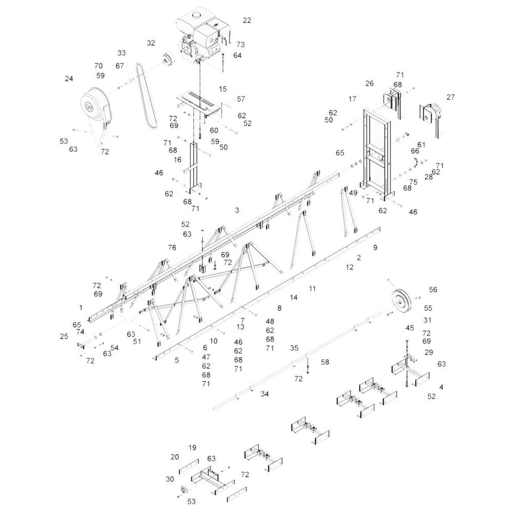
The Complete Assembly for Wacker HP100 Truss Screed includes genuine Wacker Neuson parts designed to ensure optimal performance and longevity. This assembly is crucial for maintaining the structural integrity and efficiency of the truss screed, providing reliable operation during concrete leveling tasks. Components may include drive units, connecting bolts, and end caps, all essential for smooth and effective screeding.
Reviews
Add a review
Write Your Own Review
Ask a Question
Customer Questions

