Description
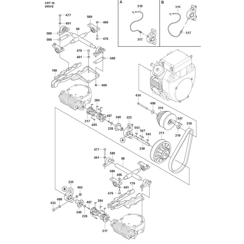
The Drive Assembly for the Husqvarna CRT 36 Trowel is essential for ensuring smooth operation and optimal performance. This assembly includes critical components such as belts, pulleys, and gears, which work together to transmit power efficiently. Designed for durability and reliability, it helps maintain the trowel's functionality in demanding construction environments.
Reviews
Add a review
Write Your Own Review
Ask a Question
Customer Questions

