
Husqvarna CRT 36 Trowel Parts
Shop by diagram

Wheel Assembly for Husqvarna

Tank Assembly for Husqvarna

Steering Assembly for CRT 36

Seat Assembly for Husqvarna

Pitch Control Assembly

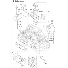
Panel Assembly for Husqvarna

Gearbox Assembly for CRT 36

Gearbox Assembly for Husqvarna

Frame Assembly for CRT 36

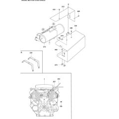
Muffler Assembly for CRT 36

Engine Plate Assembly

Drive Assembly for Husqvarna

Husqvarna CRT 36 Decals

Blade Assembly for Husqvarna CRT 36

Blade Assembly for Husqvarna CRT 36
All products
-
G3000 Sealed Agm Bat - Genuine Husqvarna Part - 505 78 62-01£233.52 £194.60
-
Battery Cover - Genuine Husqvarna Part - 505 83 60-01£51.28 £42.73
-
Nut - Genuine Husqvarna Part - 539 97 69-79£2.86 £2.38
-
Washer - Genuine Husqvarna Part - 539 99 02-50£4.12 £3.43
-
Screw - Genuine Husqvarna Part - 585 23 59-01£4.12 £3.43
-
Screw - Genuine Husqvarna Part - 585 98 06-01£4.24 £3.53
-
Screw - Genuine Husqvarna Part - 725 23 76-71£1.44 £1.20
-
Screw - Genuine Husqvarna Part - 725 24 97-51£6.28 £5.23
-
Bolt - Genuine Husqvarna Part - 725 25 00-51£6.86 £5.72
-
Panel Assy - Genuine Husqvarna Part - OEM No. 599 13 03-02£203.64 £169.70
-
Tank Water Hq - Genuine Husqvarna Part - OEM No. 599 13 12-02£311.40 £259.50
-
Tank Fuel Hq - Genuine Husqvarna Part - OEM No. 599 13 13-02£388.08 £323.40